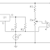
Skema rangkaian berikut ini menggunakan lampu pijar untuk mendeteksi
adanya aliran udara (Angin). Prinsip dasarnya adalah dengan memanfaatkan
perubahan resistansi pada filamen lampu saat terkena terkena aliran
udara.
Sumber arus kecil dan konstan digunakan untuk memanaskan filamen. Saat
filamen terkena aliran udara suhunya akan menurun sehingga resistensipun
akan menurun dan sebaliknya saat aliran udara kecil (tidak ada) filamen
lampu akan lebih panas dan resistansinyapun juga akan meningkat.
Sebuah komparator digunakan untuk mendeteksi perbedaan ini dan cahaya
LED. Dengan beberapa perubahan, rangkaian berikut ini juga dapat
dihubungkan ke Vu meter atau ADC untuk memberikan estimasi ukur aliran
udara yang lebih detail.
![]() |
| Rangkaian Sensor Aliran Udara (Angin) |
![]() |
| LM339 Op-Amp pinout |
Daftar Komponent:
R1 : 100 Ohm 1/4W Resistor R2 : 470 Ohm 1/4W Resistor R3 : 10k 1/4W Resistor R4 : 100K 1/4W Resistor R5 : 1K 1/4W Resistor C1 : 47uF Electrolytic Capacitor U1 : 78L05 Voltage Regulator U2 : LM339 Op Amp L1 : Incandescent lamp with glass removed D1 : LED
Perhatikan: Kaca lampu L1 harus di hilangkan (di pecahkan) agar aliran udara dapat mengenai filamen lampu.


0 komentar